|
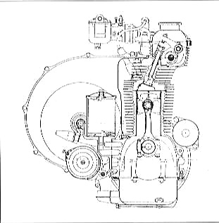
Der Fiat 500 ist mit einem
Viertakt-Zweizylinder-Otto-Motor ausgestattet, der im Wagenheck in
Längsrichtung angeordnet ist. Die Heckanordnung bietet folgende Vorteile:
·
optimale
Gewichtsverteilung
·
sehr günstiges
Verhältnis zwischen Gesamt- und Nutzraum
·
„sportlicher“
Heckantrieb ohne Kardanwelle und dadurch erhöhtes Gewicht
Ausgleichs- und Schaltgetriebe mit vier
Vorwärtsgängen und einem Rückwärtsgang sind in einem Gehäuse untergebracht,
das mit dem Motor verschraubt ist. Der Motor ist in einer elastischen
Aufhängung gelagert, das Getriebe sitzt in einer Stütztraverse
mit Gummilagern.
Der Motor ist luftgekühlt und die Kühlung erfolgt über ein
Schaufelradgebläse. Luftleitbleche umschließen das Gebläse und die beiden
Zylinder, der Luftaustritt wird von einem Thermostat mit angeschlossener
Drosselklappe gesteuert. Ein Teil der vom Gebläse angesaugten Luft dient der
Versorgung des Vergasers, außerdem kann die vom Motor erwärmte Luft zur
Beheizung des Innenraums genutzt werden.
Kurbelgehäuse und Zylinderkopf bestehen aus gegossenem Leichtmetall.
Kühlrippen am Zylinderkopf und am Zylinderblock dienen der Wärmeabstrahlung.
Der Zylinderblock verfügt über gusseiserne Laufbuchsen. Die Kolben bestehen
aus Autothermik Leichtmetall. Sie sind leicht konisch und oval, mit dem
größeren Durchmesser an der Schaftunterkante,
senkrecht zur Kolbenbolzenachse, und tragen drei Kolbenringe. ein oberer,
verchromter Verdichtungsring; ein mittlerer, einfacher Ölabstreifring; ein unterer
Ölabstreifring mit Expansionsfeder und radialen Schlitzen.
Die Kurbelwelle ist zweifach gelagert und besitzt ein zwischen den
Kurbelwangen angegossenes Gegengewicht. Durch
Bohrungen gelangt das Schmieröl zu den Haupt- und Pleuellagern, vom hinteren Kurbelwellenende zur Nockenwelle und zu der obenliegenden Kipphebelwelle.
Im Zylinderkopf hängen die Ventile parallel und werden über Stößel,
Stoßstangen und Kipphebel von der im Kurbelgehäuse gelagerten Nockenwelle
gesteuert. Der Antrieb der Nockenwelle erfolgt über eine einfache Rollenkette
mit Kettenspannern. die Ventilsitze bestehen aus Spezialguß,
die Ventilführungen aus Gusseisen, die Ventilschäfte
sind verchromt. Klemmkeile versetzen die Auslassventile in eine Drehbewegung
zur Verlängerung ihrer Lebensdauer.
Der Kraftstoff wird über eine Membranpumpe zum Vergaser geführt. Der
Einfach-Fallstromvergaser (bei mir P30 Doppel-Registervergaser) nimmt über
eine Rückführungsleitung unverbrannte Öldämpfe aus dem Kurbelgehäuse auf. Vom
Vergaser reicht eine Kraftstoffrücklaufleitung beim mir zur Zuführung der
Benzinpumpe.
Eine Zahnradpumpe, direkt von der Nockenwelle über eine Klauenkupplung
angetrieben, sorgt für die Motorschmierung. Diese ist im Steuergehäuse
untergebracht. Das Motoröl wird im Hauptstrom von einem Fliehkraftreiniger
gefiltert, der axial auf der Kurbelwelle sitzt. Dieser Zentrifugalreiniger
treibt über einen Keilriemen zugleich die Lichtmaschine an, in deren
Verlängerung das Kühlgebläserad bewegt wird.

Historie:
Die Ansätze zur Entwicklung des 500er
Motors waren relativ einfach. Der Motor sollte einfach aufgebaut sein, dabei
ökonomisch im Verbrauch und im Unterhalt und natürlich günstig in der
Herstellung sein. So war der erste angedachte Motor
von Dante Giacosa ein Einzylinder namens „ILO“ (Projektnummer:
110 E1), angelehnt an Motorradmotoren. diese Projekt wurde
allerdings sehr früh wieder verworfen. Die Idee eines 2-Zylinder-Boxer-Motors
war aufgrund hoher Kosten ebenfalls sehr früh gestorben. Diese Lösung wurde
dann später von Steyr-Daimler-Puch erfolgreich
umgesetzt. Umgesetzt wurde dann der heutige Motor mit 2 Zylindern in Reihe.
Die Nachteile dieses Motors bezüglich Schwingungen/Vibrationen und Geräuschentwicklung konnten aber mit
der Klauenaufhängung an der Hecktraverse gut
aufgefangen werden.
 
Typ
110 E1 Typ
110
Daten:
500 berlina
Zylinder: (2) in Reihe
Durchmesser und Hub: 66 (67.4 / 73.5) X 70 mm
Hubraum: 479 cm3 (499.5 / 594) später im 126: 599
und 652 cm3
Leistung: 13.5 CV (15 / 16.5 / 17.5 / 18 / 20 / 22)
Kompression: 6.55 : 1 (7:1, 7.5:1)
Vergaser: Weber 26 invertito (Weber 24), Weber 30
DGF
Ölversorgung: Zahnradpumpe, Zentrifugalpumpe
Kühlung: Luftkühlung.
Geschwindigkeit max : 85 km/h (95 / 100)
Verbrauch : 4.5 L / 100 (5.5)
Typen : 110.000, 110 D 000, 110 F 000, 126 A 5000
im 126: 126A 1.000, 126A 1.076, 126A 1.048
|